庫底卸料器(Kx型)
丁寶勤 13906276368(技術)
電話:0513-88400999 傳真:0513-88400998 郵箱:jszk@vip.163.com
一、概述
KX庫底卸料器是專門設在兩個或兩個以上的庫底,將物料從庫中均勻連續地輸送到另一個位置的設備。KX庫底卸料器結構緊湊工藝布置合理,選用后可以減少許多其它設備的設置,節省投資。
二、技術特點:
采用變螺距,變旋向能更好的實現穩流及定量給料;
機殼采用管形結構,密封性好,輸送量大的特點,無粉塵污染;
整體結構剛性好,運轉平穩,使用方便。

三、技術參數
規格型號 | Ф200 | Ф290 | |||||||
下料點間距m | 2×1500 | 2×2000 | 2×2500 | 2×1500 | 2×2000 | 2×2500 | 2×3000 | ||
非調速型驅動裝置 | 輸送量m3/h | 12 | 36 | ||||||
型號 | XWD4.0-5-35 | XWD4.0-5-35 | XWD5.5-5-35 | ||||||
功率KW | 4.0 | 4.0 | 5.5 | ||||||
轉速rpm | 40 | 40 | |||||||
h | 500 | 555 | |||||||
r | 150 | 150 | |||||||
j | 370 | 370 | |||||||
調速型驅動裝置 | 輸送量m3/h | 8~20 | 18~55 | ||||||
型號 | XWD5-17-YCTL180-4A | XWD5-17-YCTL180-4A | XWD6-17-YCTL200-4B | ||||||
功率KW | 7~70 | ||||||||
轉速rpm | 4.0 | 4.0 | 7.5 | ||||||
h | 500 | 555 | 470 | ||||||
r | 150 | 150 | 275 | ||||||
j | 370 | 370 | 380 | ||||||
閥門調節方式 | I | 手動調節 | |||||||
II | 聯軸鏈輪調節 | ||||||||
規格型號 | Ф350 | Ф475 | ||||||||
出料口間距mm | 2×1500 | 2×2000 | 2×2500 | 2×3000 | 2×1500 | 2×2000 | 2×2500 | 2×3000 | ||
非調速型驅動裝置 | 輸送量m3/h | 64 | 160 | |||||||
型號 | XWD5.5-5-35 | XWD7.5-7-35 | XWD11-8-35 | XWD15-9-35 | ||||||
功率KW | 5.5 | 7.5 | 11.0 | 15.0 | ||||||
轉速rpm | 40 | 40 | ||||||||
h | 570 | 510 | 590 | 630 | ||||||
r | 150 | 320 | 380 | 480 | ||||||
j | 370 | 420 | 480 | 560 | ||||||
調速型驅動裝置 | 輸送量m3/h | 32~59 | 80~225 | |||||||
型號 | XWD6-17-YCTL200-4B | XWD8-17-YCTL225-4A | XWD9-17-YCTL225-4B | XWD10-17-YCTL250-4A | ||||||
功率KW | 7.5 | 11 | 15 | 18.5 | ||||||
轉速rpm | 7~70 | |||||||||
h | 490 | 520 | 625 | 570 | ||||||
r | 275 | 380 | 480 | 500 | ||||||
j | 380 | 480 | 560 | 630 | ||||||
閥門調節方式 | I | 手動調節 | ||||||||
II | 聯軸鏈輪調節 | |||||||||
五、基本尺寸

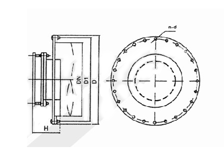
四、外形圖











